護岸基礎工・縦帯工・堤脚保護用製品

  1. HOME
  2. 製品情報
  3. 護岸基礎工・縦帯工・堤脚保護用製品

クレーバベースシリーズ

クレーバベースシリーズ
クレーバベースシリーズ 設置後の様子

製品の特長

現地状況に合わせて
豊富な種類からチョイス

クレーバベースは現地発生コンクリート殻を活用したリサイクル工法、代替型枠として利用した残存型枠工法など、従来の利点を継承しながら改良を加え、施工効率を向上させました。

500S型シリーズは施工の省力化・コストの低減に大きく貢献し、時代のニーズに応えます。

製品図面

クレーバベース500S A型

クレーバベース500S A型の図面クレーバベース500S A型の図面

クレーバベース500S B型

クレーバベース500S B型の図面クレーバベース500S B型の図面

クレーバベース500S C型

クレーバベース500S C型の図面クレーバベース500S C型の図面

製品情報

名称 寸法規格 参考重量(kg) 製品体積(㎡) 中詰体積(㎡)
クレーバベース500S
A型
1000×1080×4995 3000 1.253 3.702
クレーバベース500S
B型
800×880×4995 2304 0.960 2.157
クレーバベース500S
C型
700×780×4995 1644 0.685 1.663

施工マニュアル

1.製品の吊り上げ

  • ワイヤー4本とシャックル4個を用意してください。
  • 安全の為、吊り荷の下には絶対に入らないでください。
  • 弊社から貸し出した吊り金具(カプラー)を、製品天端4か所の吊りフックに確実に掛け、製品を吊ってください。
  • 吊り金具の取り扱いには注意してください。
  • 掛かりが緩いと製品が脱落するおそれがあります。

吊り金具取付イメージ

吊り金具取付イメージ
  • ※吊り金具は工事終了時にご返却願います。

吊り金具

吊り金具取付イメージ
吊り金具取付イメージ 吊り金具 カプラー

吊り金具(カプラー)参考写真

2.製品の据え付け

  • 丁張りを行い、製品の施工位置ラインを確認しつつ、安全に据え付けを行ってください。
  • 据付時は製品で手足を挟まないよう十分注意してください。

3.製品の目地

  • 施工延長10mごとに目地材の貼り付けを行います。
  • 隅角部は間詰コンクリートで処理します。

4.製品の連結

  • 製品問は弊社支給の連結ボルトを使用して連結を行ってください。(連結部分1箇所につき、ボルト2本使用)
  • 製品長4995mmで連結部が2箇所以上になる場合は下図の通り、目地材貼付とボルト連結を交互に行います。

5.製品内部の打設

  • 据付後、製品内部に中詰めコンクリートを打設します。
  • 現場によっては、コンクリート殻を投入します。
  • 最後に製品打設面を丁寧に均します。
製品内部の打設

クレーバベース(高潮堤防用)

クレーバベース250TA型
クレーバベース250TA型
クレーバベース 高潮堤防用 設置後の様子
クレーバベース 高潮堤防用 設置後の様子

製品の特長

止水板付きで護岸と一体化
基礎工の水替費用も軽減

  • 製品には、止水板が取り付けられていますので、護岸と一体化が図れ、波力による吸出しを防止します。
  • 基礎工のずれ止め防止のために連結コンクリートと連結ボルトで固定します。
  • 製品はLタイプとRタイプの接合で、5m単位での施工が可能となります。
  • 現場打ち工法に比べ作業工程が省略できるため水替え作業が軽減できます。

製品図面

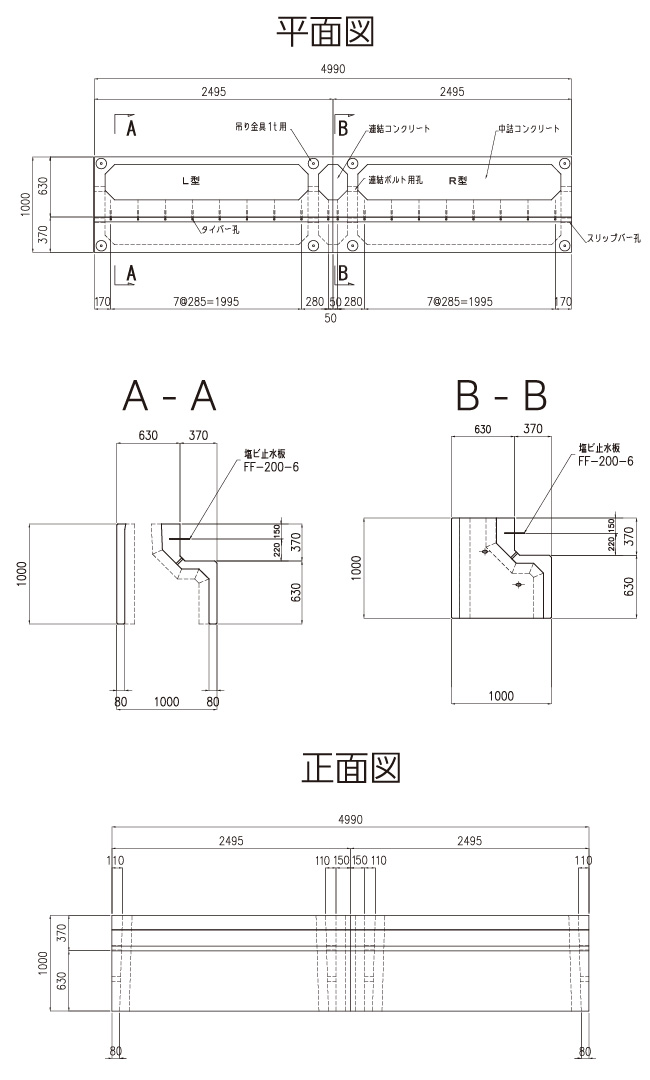
クレーバベース250TA型

クレーバベース250TA型の図面クレーバベース250TA型の図面

クレーバベース250AⅠ型

クレーバベース250AⅠ型の図面クレーバベース250AⅠ型の図面

製品情報

名称 寸法規格 参考重量(kg) 体積(m3 中詰めコンクリート(m3
クレーバベース250TA型 1000×1000×2495 1600 0.681 1.477

連結プレートは製品に含む

名称 寸法規格 参考重量(kg) 体積(m3) 中詰めコンクリート(m3) 連結コンクリート(m3)
クレーバベース250A Ⅰ型 R 1000×1000
×2495
1610 0.703 1.365 0.089
L 1000×1000
×2495
1610 0.703 1.365 0.089

連結ボルトは製品に含む

施工マニュアル

1.製品の吊り上げ

  • ワイヤー4本とシャックル4個を用意してください。
  • 安全の為、吊り荷の下には絶対に入らないでください。
  • 弊社から貸し出しした吊り金具(カプラー(※))を、製品天端の4か所の吊りフックに確実に掛け、製品を吊ってください。
  • 吊り金具の取り扱いには注意してください。
  • 掛かりが緩いと製品が脱落するおそれがあります。
高潮堤防用クレーバベースの吊り上げの様子

吊り金具

高潮堤防用クレーバベースの吊り金具取付イメージ
高潮堤防用クレーバベースの吊り金具取付イメージ

吊り金具(カプラー)参考写真

  • ※吊り金具は工事終了時にご返却願います。

2.製品の据え付け

  • 丁張りを行い、製品の施工位置ラインを確認しつつ、安全に据え付けを行ってください。
  • 据付時は製品で手足を挟まないよう十分注意してください。

3.製品の目地

  • 製品延長5mごとに目地材の貼り付けとスリップバーの施工を行います。
  • 隅角部は間詰コンクリートで処理します。

4.製品の連結

  • 目地を貼らない箇所は、製品同士の連結を行います。
  • 製品間を弊社支給の連結ボルトまたは連結プレートを使用して連結を行ってください。(製品により連結方法が異なります)
  • 目地材貼り付けと製品連結を交互に行います。

5.製品内部の打設

  • 据付後、製品内部に中詰めコンクリートを打設します。
  • 現場によっては、コンクリート殻を投入します。
  • 最後に製品打設面を丁寧に均します。
高潮堤防用クレーバベースの製品内部の打設

6.タイバーの設置

  • コンクリート打設後、製品内部にタイバーを挿入します。

基礎工D

基礎工D
基礎工D 設置の様子

製品の特長

緊急復旧・工事遅延時に最適
設置後すぐに埋め戻し可能

プレキャスト基礎工は、災害など有事の際の緊急復旧や工事の遅れなどにより工期に余裕が無い場合に適しています。掘削・床固めを終えれば延長距離50m程度であれば、基礎工の自重による安定性により設置後すぐに埋め戻しができるため大幅な工期の短縮が図れます。

製品図面

基礎工D型

基礎工D型の図面基礎工D型の図面

製品情報

名称 寸法規格 参考重量(kg)
基礎工D型 500×500×4995 2460

施工マニュアル

1.製品の吊り上げ

  • ワイヤー2本とシャックル2個を用意してください。
  • 安全の為、吊り荷の下には絶対に入らないでください。
  • 弊社から貸し出した吊り金具(カプラー)(※)を、製品天端の2か所の吊りフックに確実に掛け、製品を吊ってください。
  • 吊り金具の取り扱いには注意してください。
  • 掛かりが緩いと製品が脱落するおそれがあります。

吊り金具取付イメージ

基礎工D型の吊り金具取付イメージ
  • ※吊り金具は工事終了時にご返却願います。

吊り金具

基礎工D型の吊り金具取付イメージ
基礎工D型の吊り金具取付イメージ

吊り金具(カプラー)参考写真

2.製品の据え付け

  • 丁張りを行い、製品の施工位置ラインを確認しつつ、安全に据え付けを行ってください。
  • 据付時は製品で手足を挟まないよう十分注意してください。

3.製品の据え付け

  • 製品延長10mごとに目地材の貼り付けを行います。
  • 隅角部は間詰コンクリートで処理します。

保護工

保護工
保護工 A型
保護工 設置後の様子

製品の特長

大河川から中小河川まで
あらゆる施工箇所に対応

プレキャスト保護工は、堤防の法面を保護するための法面天端へ設置する製品です。クレーンによって製品の据え付けができ、直線部では5mの製品を使用することで、据え付けにかかる時間を大幅に短縮できます。大河川から中小の河川まで幅広い用途に対応し、低水・中水部では保護工A型、高水部ではB型などあらゆる施工箇所に対応いたします。

製品図面

保護工 A型

保護工A型の製品図面保護工A型の製品図面

保護工 B型

保護工B型の製品図面保護工B型の製品図面

製品情報

名称 寸法規格 参考重量(kg)
保護工 A型 300×700×4995 2500
保護工 B型 200×500×4995 1200

施工マニュアル

1.製品の吊り上げ

  • ワイヤー2本とシャックル2個を用意してください。
  • 安全の為、吊り荷の下には絶対に入らないでください。
  • 弊社から貸し出した吊り金具(※)を用意し、製品に開いた2か所の孔にそれぞれボルトを通し、製品を吊ってください。
  • 吊り金具の取り扱いには注意してください。
  • ※専用吊り金具は工事終了時にご返却願います。

吊り金具取付イメージ

保護工の吊り金具取付イメージ
  • ※吊り金具は工事終了時にご返却願います。

吊り金具

保護工の吊り金具イメージ
保護工の吊り金具イメージ
保護工吊り金具イメージ図

2.製品の据え付け

  • 丁張りを行い、製品の施工位置ラインを確認しつつ、安全に据え付けを行ってください。
  • 据付時は製品で手足を挟まないよう十分注意してください。

3.製品の目地

  • 製品延長10mごとに目地材の貼り付けを行います。
  • 隅角部は間詰コンクリートで処理します。

ディークガード(堤脚保護)

ディークガード 堤脚保護
ディークガード 堤脚保護 設置後の様子

製品の特長

ブロック工なしで施工可
同時に環境保全も実現

従来は間地ブロック積みで堤脚を保護してきましたが、この工法では積み手間により多くの作業時間を要してきました。

この問題を間知ブロックと同程度の施工コストで可能にした製品です。

  • 堤防の法尻を保護します。
  • 製品は間知ブロック模様を基本とし、模様の中に切り欠けを備え優れた水抜き機能をもち、堤体に浸透した水を速やかに排水します。
  • 堤体への車の侵入を防止します。

製品図面

ディークガードⅡ

ディークガードⅡの製品図面ディークガードⅡの製品図面

製品情報

名称 寸法規格 参考重量(kg)
ディークガードⅡ 805×654×1200 329

施工マニュアル

1.製品の吊り上げ

  • 安全の為、吊り荷の下には絶対に入らないでください。
  • 次頁を参考に製品の据え付けを行ってください。
  • 弊社から貸し出した専用吊り金具(※)を製品背面から当て、3か所の吊りフックで確実に引っ掛け、製品を吊ってください。
  • 吊り金具の取り扱いには注意してください。
  • 掛かりが緩いと製品が脱落するおそれがあります。
  • ※専用吊り金具は工事終了時にご返却願います。

2.製品の据え付け

  • 丁張りを設置し、製品の施工位置ラインを確認しつつ、安全に据え付けを行ってください。
  • 据付時は製品で手足を挟まないよう十分注意してください。

3.製品の連結

  • 製品背面に付属するプレートを使用して製品同士連結を行います。

4.付属品の設直

  • 製品の背面からスリット孔に、製品納入時に一緒に納品しました吸出防止材を設置してください。
  • 製品吊り上げ時に使用した孔を含めて1製品9箇所設置します。

5.埋め戻し

  • 据付後、製品背面および前面の埋め戻しを行います。
  • 埋め戻し時は製品に急激な力がかかると製品が破損する場合がありますのでご注意ください。

堤脚保護ブロック(ディークガードⅡ型)施工手順(参考図)

堤脚保護ブロック 製品と吊金具
製品・吊金具
堤脚保護ブロック 背面吊状況 連結プレート 吸出し防止剤 設置状況
背面吊状況・連結プレート・吸出し防止剤設置状況 9孔/個
堤脚保護ブロック 表面吊状況
表面吊状況
堤脚保護ブロック 吊り上げの様子
堤脚保護ブロック 吊り上げの様子

Contact

ご相談・ご質問など南濃コンクリート工業株式会社へのお問い合わせは、「お電話」または「メールフォーム」をご利用ください